Flo Master XP2 Onderdelen Diagram Uitleg

Bij het werken met technische apparaten is het essentieel om een helder overzicht te hebben van de interne componenten. Dit maakt het mogelijk om sneller en efficiënter storingen te identificeren en reparaties uit te voeren. Een goed begrip van hoe de verschillende onderdelen samenwerken, kan ook helpen bij het verbeteren van de prestaties van het systeem.
Een gedetailleerd overzicht biedt gebruikers de mogelijkheid om te zien hoe elk element van het systeem is opgebouwd en met elkaar verbonden is. Dit maakt het eenvoudiger om te begrijpen hoe de verschillende functies worden uitgevoerd en waar zich mogelijke knelpunten kunnen voordoen. Of het nu gaat om routineonderhoud of meer complexe herstellingen, kennis van de interne structuur is van groot belang.
In deze sectie worden we dieper ingaan op de belangrijkste onderdelen en hoe je ze kunt identificeren en gebruiken bij het oplossen van problemen. Door dit overzicht te bestuderen, kunnen zowel beginners als ervaren technici sneller de oorzaak van storingen vinden en effectieve oplossingen toepassen.
Introductie tot Flo Master XP2

In veel technische systemen is een diepgaand begrip van de onderliggende structuren en componenten cruciaal voor een effectieve werking en onderhoud. Dit is vooral belangrijk wanneer het gaat om apparaten die intensief worden gebruikt en waarbij de kans op slijtage of defecten groot is. Kennis van de werking en opbouw van elk onderdeel stelt de gebruiker in staat om tijdig in te grijpen en eventuele problemen snel te verhelpen.
Belang van het Begrijpen van het Systeem

Het begrijpen van de opbouw van het systeem helpt niet alleen bij het oplossen van technische problemen, maar maakt ook het onderhoud en de afstemming veel eenvoudiger. Wanneer de afzonderlijke onderdelen en hun functies duidelijk zijn, kan men sneller identificeren waar zich storingen voordoen. Dit verhoogt de efficiëntie en vermindert de stilstand van het apparaat.
Toepassing van de Informatie

Door gebruik te maken van gedetailleerde overzichten kunnen zowel professionals als hobbyisten veel tijd besparen. Het nauwkeurig volgen van de configuratie helpt bij het uitvoeren van reparaties of het uitvoeren van upgrades, waardoor de levensduur van het apparaat aanzienlijk wordt verlengd. Dit is vooral belangrijk voor systemen die zwaar belast worden.
Belang van het Onderdelen Diagram

Een goed overzicht van de interne componenten van een systeem speelt een cruciale rol bij het onderhoud en de reparatie ervan. Dit visuele hulpmiddel biedt inzicht in de structuur en samenstelling van het apparaat, waardoor technici en gebruikers sneller de werking van verschillende onderdelen kunnen begrijpen. Zonder een duidelijk overzicht kan het moeilijk zijn om problemen effectief op te lossen, wat leidt tot onnodige vertragingen en kosten.
Het juiste overzicht stelt gebruikers in staat om elk onderdeel te identificeren en te begrijpen hoe het bijdraagt aan de algehele functie van het systeem. Dit vergemakkelijkt niet alleen het proces van foutopsporing, maar zorgt er ook voor dat vervangingen of reparaties op de juiste manier worden uitgevoerd. Het is essentieel voor het garanderen van de stabiliteit en de efficiëntie van het apparaat op lange termijn.
In gevallen waar het systeem regelmatig wordt blootgesteld aan zware omstandigheden, biedt dit overzicht de mogelijkheid om preventief onderhoud te plannen. Zo kunnen problemen vroegtijdig worden geïdentificeerd, waardoor de kans op onverwachte uitval wordt geminimaliseerd.
Hoe het Diagram Te Lezen

Het begrijpen van een visuele weergave van een systeem vereist enige kennis van hoe de onderdelen en hun verbindingen worden weergegeven. Dit overzicht biedt een gestructureerde weergave van de verschillende componenten, waardoor het makkelijker wordt om te zien hoe ze met elkaar samenwerken. Het juiste gebruik van deze informatie kan helpen bij het effectief oplossen van problemen en het uitvoeren van onderhoudswerkzaamheden.
Let op symbolen en lijnen die de verschillende onderdelen en hun relaties aangeven. Meestal worden specifieke iconen en verbindingen gebruikt om de functie van elk onderdeel duidelijk te maken. Het is belangrijk om vertrouwd te raken met deze symbolen, omdat ze essentieel zijn voor het snel vinden van de juiste componenten en het begrijpen van hun interacties binnen het systeem.
Daarnaast speelt de volgorde van de weergegeven elementen een belangrijke rol. Het kan zijn dat sommige onderdelen afhankelijk zijn van andere om correct te functioneren. Het nauwkeurig volgen van de weergegeven volgorde helpt om een probleem sneller te traceren en op te lossen, wat tijd en middelen bespaart.
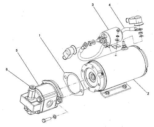
Overzicht van de Hoofdcomponenten

Bij het begrijpen van een complex systeem is het essentieel om de belangrijkste elementen en hun functies goed te kennen. Elk onderdeel speelt een cruciale rol in de algehele werking en efficiëntie van het apparaat. Het is belangrijk om te weten hoe deze componenten met elkaar verbonden zijn en welke invloed ze hebben op het functioneren van het geheel.
De kerncomponenten omvatten de belangrijkste systemen die de basis van het apparaat vormen. Dit zijn vaak de onderdelen die direct verantwoordelijk zijn voor de uitvoering van de voornaamste taken en processen. Het begrijpen van de werking en onderlinge relaties van deze elementen maakt het eenvoudiger om zowel preventief onderhoud uit te voeren als storingen snel te diagnosticeren.
In dit overzicht worden de meest cruciale onderdelen besproken, inclusief hun rol en betekenis binnen het systeem. Dit biedt een solide basis voor zowel technische professionals als gebruikers die geïnteresseerd zijn in de werking van het apparaat. Door inzicht te krijgen in deze componenten, wordt het onderhoud en de probleemoplossing aanzienlijk vergemakkelijkt.
Stappen voor Diagnose met Diagram

Het correct diagnosticeren van een probleem in een technisch systeem vereist een gestructureerde aanpak. Een visuele weergave van de interne componenten kan hierbij een onmisbare hulpbron zijn. Door de stappen zorgvuldig te volgen en systematisch naar de juiste onderdelen te kijken, kunnen technici snel de oorzaak van storingen identificeren en efficiënt oplossingen toepassen.
Stap 1: Identificeer de Symptomen
De eerste stap in het diagnoseproces is het verzamelen van informatie over de symptomen die zich voordoen. Dit kan variëren van storingen in de werking tot ongebruikelijke geluiden of andere afwijkingen. Het is belangrijk om alle details te noteren voordat verder wordt gegaan met het onderzoeken van de componenten.
Stap 2: Raadpleeg de Visuele Weergave

Na het identificeren van de symptomen, kan het raadplegen van een gedetailleerde weergave van de onderdelen helpen om de mogelijke oorzaken te beperken. Dit overzicht toont de onderlinge verbanden tussen de verschillende componenten, waardoor het eenvoudiger wordt om de specifieke sectie van het systeem te isoleren die mogelijk defect is.
| Symptoom | Mogelijke Oorzaak | Te Controleren Onderdeel |
|---|---|---|
| Geen werking | Stroomonderbreking | Voedingsbron |
| Ongewone geluiden | Versleten onderdelen | Motor of Tandwiel |
| Oververhitting | Onvoldoende koeling | Koelsysteem |
Door het raadplegen van dit overzicht kan men stap voor stap de bron van het probleem lokaliseren en beginnen met de noodzakelijke aanpassingen of vervangingen.
Veelvoorkomende Problemen en Oplossingen

In elk technisch systeem kunnen zich diverse problemen voordoen die de werking verstoren. Het kennen van de meest voorkomende storingen en hun oplossingen is essentieel om snel en effectief in te grijpen. Dit voorkomt niet alleen langdurige stilstand, maar helpt ook om de levensduur van het apparaat te verlengen.
Storing 1: Geen Werking

Een van de meest voorkomende problemen is wanneer het systeem volledig niet reageert. Dit kan worden veroorzaakt door verschillende factoren, zoals stroomuitval of een defect in de interne bedrading. Om dit probleem op te lossen, kunnen de volgende stappen worden ondernomen:
- Controleer de stroombron en stopcontacten.
- Zorg ervoor dat alle kabels correct zijn aangesloten.
- Test de stroomtoevoer naar de interne componenten.
Storing 2: Ongewone Geluiden

Ongewone geluiden zoals piepen of schuren kunnen wijzen op versleten of beschadigde onderdelen, zoals motoren of tandwielen. Dit probleem kan snel worden opgelost door de volgende acties te ondernemen:
- Inspecteer bewegende onderdelen zoals de motor en tandwielen.
- Vervang versleten onderdelen om verdere schade te voorkomen.
- Controleer de bevestigingspunten om te zorgen dat alles goed is vastgezet.
Storing 3: Oververhitting

Wanneer het systeem oververhit raakt, kan dit leiden tot schade aan de interne componenten. Een onvoldoende koeling is vaak de oorzaak van dit probleem. De volgende stappen kunnen helpen om de temperatuur onder controle te houden:
- Controleer de werking van het koelsysteem.
- Verwijder stof of andere obstructies die de luchtstroom blokkeren.
- Vervang eventueel defecte koelventilatoren of radiatoren.
Door deze veelvoorkomende problemen te begrijpen en de juiste oplossingen toe te passen, kan men snel terugkeren naar een optimale werking van het apparaat.